0.0 грн.
Оформить заказ- Производитель: VIEGA
- Код Товара: 41525-01
- Артикул: gs-000006851
- Наличие: В наличии
- Доставка: Самовывоза нет
Бесплатная доставка от 1000 грн., габаритного товара от 4000 грн.
585.0 грн.
102821 Сифон пластиковий для мийки 1 1/2 ″х40 без патрубка 45° VIEGA
Виробництво - VIEGA
Країна виробництва - Німеччина
VIEGA - це істинно німецька якість вироблена в Німеччині. Використання самого високотехнологічного обладнання і наявність в автоматизованому виробничому процесі з комп'ютерним управлінням до п'яти ступенів справжнього німецького контролю гарантує максимальну ступінь надійності при монтажі та експлуатації продукції компанії.
101800 Сифон VIEGA застосовується для підключення кухонних мийок, умивальників. Сифон забезпечений штуцером для підключення зливу пральної або посудомийної машини.
Виготовлений з якісного і термостійкого пластика. Має штуцер для приєднання пральної або посудомийної машини.
Фірма Viega виробляє сифони ідеально відповідають будь-яким вимогам і підходять до будь-якого дизайну. Будь то темно-зелені або трубні сифони, з пластика або хромованої латуні, сифони відрізняються конструкцією, що забезпечує особливо оптимальні параметри потоку. Крім того вони відмінно переносять чистку з використанням побутових миючих засобів.
Параметри:
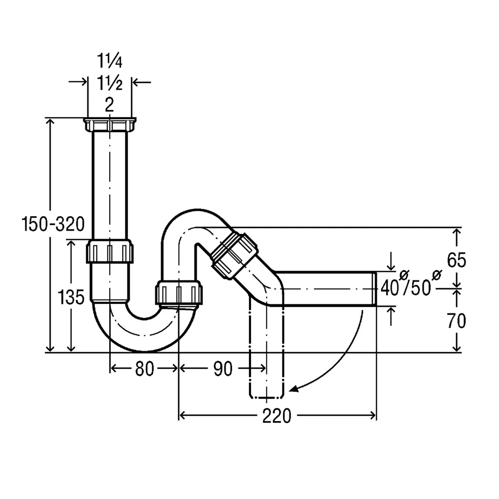
Діаметр вихідної труби: 40 мм
Накидна гайка: 11/2 ″
Тип сифона: S-подібний, самопромивний.
Матеріал: поліпропілен
Колір білий.
Комплектація:
відвідне коліно 45 °,
додаткове підключення зливного шланга.
Все що виробляє компанія Viega пов'язано з якістю. Продукція забезпечена якістю про який у всьому світі говорять «зроблено в Німеччині» і асоціюється з товарами найвищого класу. Компанія Viega - світовий лідер з виробництва сантехнічного та опалювального обладнання заснована в 1899 році. За роки успішного розвитку Viega пропонує більше 16 000 найменувань продукції, що випускається на п'яти заводах в Німеччині. всіх Завдяки великому асортименту продукції Viega можна легко і швидко скомплектувати будь-які інженерні системи будівель. Складові частини систем повністю узгоджені між собою, а продумана і бездоганна конструкція гарантує зручність монтажу, надійність і довговічність
Розміри сифона 102821 VIEGA (див. мал.)
Виробництво - VIEGA
Країна виробництва - Німеччина
VIEGA - це істинно німецька якість вироблена в Німеччині. Використання самого високотехнологічного обладнання і наявність в автоматизованому виробничому процесі з комп'ютерним управлінням до п'яти ступенів справжнього німецького контролю гарантує максимальну ступінь надійності при монтажі та експлуатації продукції компанії.
101800 Сифон VIEGA застосовується для підключення кухонних мийок, умивальників. Сифон забезпечений штуцером для підключення зливу пральної або посудомийної машини.
Виготовлений з якісного і термостійкого пластика. Має штуцер для приєднання пральної або посудомийної машини.
Фірма Viega виробляє сифони ідеально відповідають будь-яким вимогам і підходять до будь-якого дизайну. Будь то темно-зелені або трубні сифони, з пластика або хромованої латуні, сифони відрізняються конструкцією, що забезпечує особливо оптимальні параметри потоку. Крім того вони відмінно переносять чистку з використанням побутових миючих засобів.
Параметри:
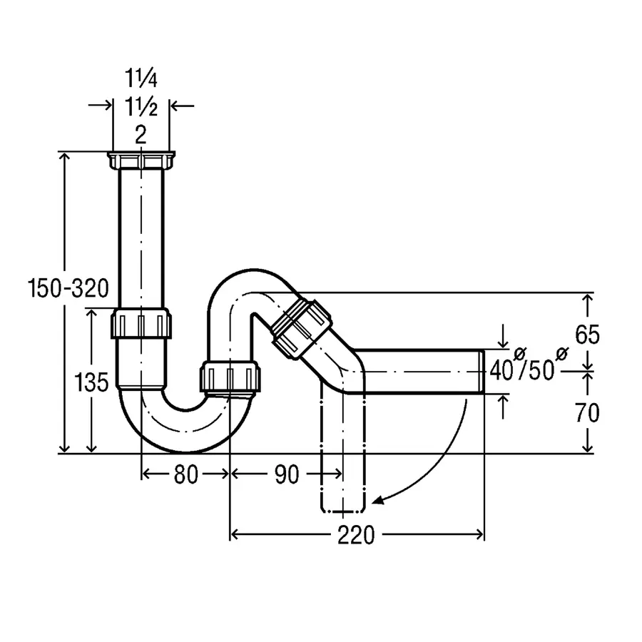
Діаметр вихідної труби: 40 мм
Накидна гайка: 11/2 ″
Тип сифона: S-подібний, самопромивний.
Матеріал: поліпропілен
Колір білий.
Комплектація:
відвідне коліно 45 °,
додаткове підключення зливного шланга.
Все що виробляє компанія Viega пов'язано з якістю. Продукція забезпечена якістю про який у всьому світі говорять «зроблено в Німеччині» і асоціюється з товарами найвищого класу. Компанія Viega - світовий лідер з виробництва сантехнічного та опалювального обладнання заснована в 1899 році. За роки успішного розвитку Viega пропонує більше 16 000 найменувань продукції, що випускається на п'яти заводах в Німеччині. всіх Завдяки великому асортименту продукції Viega можна легко і швидко скомплектувати будь-які інженерні системи будівель. Складові частини систем повністю узгоджені між собою, а продумана і бездоганна конструкція гарантує зручність монтажу, надійність і довговічність
Розміри сифона 102821 VIEGA (див. мал.)
Характеристики
Основні
Тип
Сифон
Країна реєстрації бренду
Німеччина
Нові атрибути
Вага брутто (кг.)
0.234000
Країна походження
Німеччина
Об'єм (м³)
0.003001
Отзывов (0)
Нет отзывов об этом товаре.
Нет вопросов о данном товаре, станьте первым и задайте свой вопрос.